Konstrukcija:
Instaliacija:
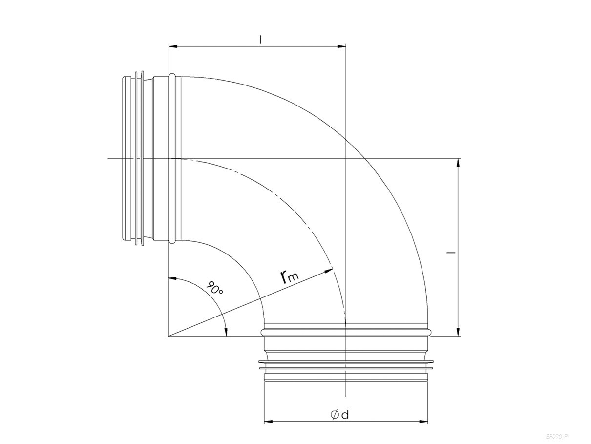
Informacija: lenkimai gali būti pagaminti ir kitokio diametro pagal pasirinkimą.
Lenkimo formos naudojamos spiralinių kanalų ir paprastų kanalų įrengimui.
| Pavadinimas | Skersmuo | Klasė | |
|---|---|---|---|
BFS90-100
|
alkūnė metalinė, 90°- Ø100mm su gumomis, presuota
|
100 mm | M1;D |
BFS90-125
|
alkūnė metalinė, 90°- Ø125mm su gumomis, presuota
|
125 mm | M1;D |
BFS90-150
|
alkūnė metalinė, 90°- Ø150mm su gumomis
|
150 mm | M1;D |
BFS90-160
|
alkūnė metalinė, 90°- Ø160mm su gumomis
|
160 mm | M1;D |
BFS90-180
|
alkūnė metalinė, 90°- Ø180mm su gumomis
|
180 mm | M1;D |
BFS90-200
|
alkūnė metalinė, 90°- Ø200mm su gumomis
|
200 mm | M1;D |
BFS90-250
|
alkūnė metalinė, 90°- Ø250mm su gumomis
|
250 mm | M1 |
BFS90-315
|
alkūnė metalinė, 90°- Ø315mm su gumomis
|
315 mm | M1 |
BFS90-80
|
alkūnė metalinė, 90°- Ø80mm su gumomis, presuota
|
80 mm | M1 |


| Tipas | Ød nom [mm] |
rm [mm] |
l [mm] |
m [kg] |
| BFS90-80* | 80 | 100 | 100 |
0,24 |
| BFS90-100* | 100 | 100 | 100 | 0,31 |
| BFS90-125* | 125 | 125 | 125 | 0,46 |
| BFS90-150 | 150 | 150 | 150 | 0,65 |
| BFS90-160 | 160 | 160 | 160 | 0,72 |
| BFS90-180 | 180 | 180 | 180 | 0,88 |
| BFS90-200 | 200 | 200 | 200 | 1,05 |
| BFS90-250 | 250 | 250 | 250 | 1,6 |
| BFS90-315 | 315 | 315 | 315 | 2,4 |